專注磁粉離合器制動器生產廠家
收放卷張力糾偏控制系統整套提供商

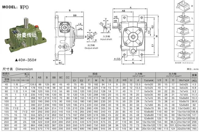
WP系列蝸輪蝸桿減速機優點:
1、WP系列蝸輪蝸桿減速機箱體結構為整體,外形美觀大方、剛性好。
2、箱體型式有基本型(箱體為帶有底腳板的立式或臥式兩種結構)和萬能型(箱體為長方體,多面設有固定螺孔,不帶底腳板或另裝底腳板等多種結構型式)
3、輸入軸聯接方式有基本型(單輸入軸及雙輸入軸)、帶電機法蘭兩種。
4、輸出軸結構有基本型(單輸出軸、雙輸出軸)和中空輸出軸兩種。
5、輸出、輸入軸位置方向有輸入軸在下及在上;輸出軸向上及向下;輸入軸向上及向下。
6、可用2臺或3臺減速機組成多級減速機,以獲得極大的傳動比。 安裝型式和輸出方式:底座式,法蘭式和扭力 臂式安裝,實心軸和空心軸輸出及蝸桿直接 輸出。
注意事項:
1、蝸輪軸絕對不能作輸入軸使用。
2、配套電機(即功率)不能超過標牌規定的數值。
3、如用戶要改變入軸方向,可拆卸下軸二端蓋,取出蝸桿軸,調節180。裝入即可。按裝時不可硬敲,可慢慢傳動二軸,使之嚙合。
WP系列蝸輪蝸桿減速機:主要適用于塑料、冶金、飲料、礦山、起重運輸、化工建筑等各種機械設備的減速傳動。幾乎在各式機械的傳動系統中都可以見到它的蹤跡,從交通工具的船舶、汽車、機車,建筑用的重型機具,機械工業所用的加工機具及自動化生產設備,到日常生活中常見的家電,鐘表等等.其應用從大動力的傳輸工作,到小負荷,精確的角度傳輸都可以見到蝸輪蝸桿減速機的應用,且在工業應用上,蝸輪蝸桿減速機具有減速及增加轉矩功能。因此廣泛應用在速度與扭矩的轉換設備。